Ver Productos...
Equipo para comprobacion, purga y llenado de eje trasero direccional IVECO
TM31415141-IVECO
New product
Disponible el:
Por cada unidad de este producto, te regalamos 36,38 € con nuestro programa de puntos. Hasta ahora el premio de tu carrito es de 36,38 € que puesdes gastar en tus siguientes pedidos.
Ficha de Producto
Ficha con precioCaracterísticas
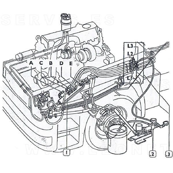
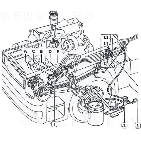
La unidad de llenado 2M141/C se utiliza para descargar, cargar, purgar y presurizar sistemas hidráulicos, por ejemplo, del eje portador direccional
El equipo esta compuesto por un motor eléctrico, una bomba, un deposito y un bloque de válvulas con conexiones y válvulas.
El equipo utiliza 24V y se conecta con pinzas a la batería del vehículo o a otra fuente de alimentación de 24V. El control de conexión y desconexión de la bomba es controlado por un interruptor con una posición bloqueada y otra cargada por muelle.
El equipo tiene un limitador de presión ajustable, una válvula reductora ajustable para el retorno de aceite y una válvula de seguridad ajustada a 25 bares.
El equipo también tiene un manómetro con un escala de 0 a 25 bares
COMPOSICIÓN:
2M141/C. Minicentral hidráulica a 24V. 25 bares


Descargar catálogo en formato PDF ![]()
Seleccione categorías para exportar su catálogo en PDF. Inicie sesión para ver precios definitivos. Puede tardar unos segundos.
Presione Ctrl y haga clic para incluir varias categorías.